V Usb
What is in this Repository?.
V usb. This page lists projects implemented with V-USB. We also want to list your project!. USB-A is a traditional.
Universal Serial Bus (USB) is an industry standard that establishes specifications for cables and connectors and protocols for connection, communication and power supply (interfacing) between computers, peripherals and other computers. Even on non-virtualized systems, these resources are shared. It focuses on CPU, disk, and memory because all operating systems and applications require them.
You may have noticed that there’s a new USB type that’s been growing in popularity and availability lately. V-USB is a software-only implementation of a low-speed USB device for Atmel’s AVR® microcontrollers, making it possible to build USB hardware with almost any AVR® microcontroller, not requiring any additional chip. 3 Alternatives to add USB Support.
Quick Charge 3.0 Car Charger, 12V/24V 35W QC3.0/2.0 USB Charger Socket, 3 USB Charger Socket Power Outlet Fast Charge with Wire Fuse Aluminum Car Boat Marine ATV Bus Truck Golf Cart and More(Black. Novopal Power Inverter Pure Sine Wave-1000 Watt 24V DC to 110V/1V AC Converter- 4 AC Outlets Car Inverter with One USB Port-16.4 Feet Remote Control and Two Cooling Fans-Peak Power 00 Watt. USB Type A connections refer to the physical design of the USB port.
16 Aug 16 by Eric Siron 26. Over the last two years, USB Type-C has been spreading across the electronics industry. V-USB is a firmware-only USB driver for Atmel's AVR microcontrollers.
V-USB-24-G11-1BB1 Carling Technologies Battery Chargers USB Charger 2 Port Black IP64 datasheet, inventory, & pricing. This is Objective Development’s reference implementation. For more information please visit http://www.obdev.at/vusb/.
If you don’t have a website to publish it, just upload to GitHub, Sourceforge or similar!. Released in 1996, the USB standard is. A broad variety of USB hardware exists, including eleven different connectors, of which USB-C is the most recent.
PowerSwitch - The Pure Basics. A simple example intended to demonstrate how to use V-USB. Every USB connection is made of a port in the host device, a connecting cable, and a receptor device.
One of the chief features of virtualization is the abstraction of the hardware.

V Usb A Firmware Only Usb Driver For Atmel Avr Microcontrollers

Stm32f4 Host Powering Usb Device Using Vbus Electrical Engineering Stack Exchange

Hid Class Usb Serial Communication For Avrs Using V Usb Youtube
V Usb のギャラリー

Learning To Use The V Usb Avr Usb Firmware Library Hackaday

Work In Progress V Usb Tutorial Software Only Usb For Mega Tiny

Usb Cat Ci V Adapter

V Usb With Attiny45 Attiny85 Without A Crystal Code And Life

Share Devices With Windows Virtual Machines Microsoft Docs

How To Set Up Hyper V Usb Passthrough Short Overview
Poweredusb Wikipedia

Usb 5v To 1 5v 3v Step Down Converter Circuit Eleccircuit Com

Automotive Usb Type C Power Solution 45 W 2 Mhz Buck Boost Controller In A 1 Inch Square Analog Devices

Usb Transceivers

Project Log Arduino Usb Projectlogarduinousb

Usb Drop
How To Access A Usb Hard Drive From A Hyper V Virtual Machine

Hyper V Usb Passthrough 3 Alternatives To Add Usb Support

Buy Oshtraco 3 Way Multi Adaptor With 5 V Usb White Online Ace
Q Tbn 3aand9gcsnonjbc0mjym6lkghsmhird0c8xvs7jvbvzqdw8fepyyrl17ti Usqp Cau

Silicon Labs Cp2102 3 3v Usb To Serial Module Hcmodu0051 Forum Hobbycomponents Com

Matthiaslinder Com
Usb C Vs Lightning Macworld Uk
How To Perform A Usb Passthrough In Hyper V Redmondmag Com

Usb Digital I O Hid Interface V Usb

Hardware Considerations V Usb

Hyper V Usb Passthrough 3 Alternatives To Add Usb Support
Tallmanlabs Tmlabs Home Of The Crystal Cmoy Uvolume And Gnatstats Avr Attiny 2313 Attiny84 V Usb Media Volume Control

Usb Charging Without Fear

V Usb Command Line Client Avr Freaks

Poeject 3 Aka The V Usb Aylo
Solved Xps 15 9570 Usb C Charging Specs Dell Community
Q Tbn 3aand9gctql34cnrpfyg Z9bpftlbrsklmvc9nikps6wcgmny Usqp Cau

Usb Helper For V Usb Prototyping Objective Development Forums

Hyper V Usb Passthrough 3 Alternatives To Add Usb Support

Understanding Schematics Resistors Attached To Attiny85 Pins V Usb Arduino Stack Exchange

Automotive Usb Type C Power Solution 45 W 2 Mhz Buck Boost Controller In A 1 Inch Square Analog Devices

Samsung Galaxy M10s To Pack Usb Type C Port Infinity V Display And Rear Fingerprint Sensor Official Manual Reveals Technology News

Usb Keyboard With Arduino And V Usb Library An Example Petrockblock

5 V Psu For Usb Devices And Raspberry Pi

Thunderbolt 3 Vs Usb C What S The Difference Satechi
How To Perform A Usb Passthrough In Hyper V Redmondmag Com
How To Access A Usb Hard Drive From A Hyper V Virtual Machine

Stm32 Solutions For Usb Type C And Power Delivery Stmicroelectronics

Avr Attiny Usb Tutorial Part 1 Code And Life

Dc Dc Usb 0 9v 5v To 5v Dc Boost Step Up Power Supply Module Australia

Tips On V Usb And Arduino 5 Dash

Share Devices With Windows Virtual Machines Microsoft Docs

How To Connect A Usb Drive Directly To A Hyper V Vm Windows Os Hub

How To Attach A Usb Disk To A Hyper V Virtual Machine Share It

How To Protect Your Epos Processor From Short Circuits In 9 V Usb Charging Industrial Technical Articles Ti E2e Support Forums

Hardware Considerations V Usb

4 3v Usb Oneblade A Charger Cable F Buy Online In Antigua And Barbuda At Desertcart
Pmp 2 Cell Boost Charge System Reference Design With 5 V Usb Ti Com

The Difference Between Usb 3 0 Vs 3 1 Memory Suppliers

Why Does Usb Have Vcc 5v And High 3 3v Electrical Engineering Stack Exchange

Attiny V Usb Project Board Trybotics

Arduinoでv Usbを使う How To Code Something

Error In Bootloader Code For Mega328 Page 2 Avr Freaks

Usb C Vs Lightning Macworld Uk

Usb Drop

Amazon Com Huaban 5v 3 3v Usb Isp Programmer W Adapter 10 Pin Cable Atmega8a Atmega128 For Arduino Computers Accessories

V Usb Midi

Hyper V Usb Passthrough 3 Alternatives To Add Usb Support

2 Usb C Type Charging Socket Arteor 3 A 15 W 230 V 5 V 2 Modules White 5 7 72 Legrand

Trouble With Atmega328p V Usb Solved Defective Usb Cable Avr Freaks

Usb Charging Without Fear

How To Set Up Hyper V Usb Passthrough Short Overview

Providing A Hyper V Virtual Machine Access To Usb Devices Super User

How To Set Up Hyper V Usb Passthrough Short Overview

Work In Progress V Usb Tutorial Software Only Usb For Mega Tiny

Integrate Standalone Temperature Logger To V Usb Insidegadgets
1

Usb Dlya Avr Chast 2 Hid Class Na V Usb Svyaz Zheleza S Kompyuterom Soobshestvo Easyelectronics Ru

What Does It Mean When A Usb C Cable Is Rated At 3a By Benson Leung Medium

Usb Keyboard With Arduino And V Usb Library An Example Petrockblock

40 Keyboards The rdvark

Shared Usb Port In Hyper V Youtube

How To Set Up Hyper V Usb Passthrough Short Overview

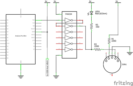
Arduino Usb To Legacy Midi Converter 4 Steps With Pictures Instructables

Playing Around With V Usb For Avr Insidegadgets

How To Add A Usb Disk To A Windows 12 Hyper V Vm Oxford Sbs Guy
Q Tbn 3aand9gcst6pw Sro254ksxqc Zhkk9pli8i7qocmkrymys2qtmwabq7sq Usqp Cau

Usb C Wikipedia
Audio Technica At Usb V Thomann United Arab Emirates

How To Add A Usb Disk To A Windows 12 Hyper V Vm Oxford Sbs Guy

How To Set Up Hyper V Usb Passthrough Short Overview

Tb Touch Buy Tb Touch Cable Usb 3 0 Cm Hdmi 2 0v Am 2m Black Online In Dubai Uae Gear Up Me

Usb 5v To 1 5v 3v Step Down Converter Circuit Eleccircuit Com Usb Circuit Battery Charger Circuit

Thunderbolt 3 Vs Usb C What S The Difference Satechi

Usb Power Delivery Explained

Pdf Programmable Usb Human Interface Device

V Usb A Firmware Only Usb Driver For Atmel Avr Microcontrollers

Hid Class Usb Serial Communication For Avrs Using V Usb Rayshobby Net

Raeisusp 5v 8 4v Usb Drive Cable Ack E12 Buy Online In Israel At Desertcart

Making The Arduino Act Like A Keyboard Rodolfo S Blog

Pro Elec 5 M 4 Gang Extension Lead With 2 X 2 4 V Usb Amazon Co Uk Electronics

Hyper V Usb Passthrough 3 Alternatives To Add Usb Support

How To Connect A Usb Drive Directly To A Hyper V Vm Windows Os Hub

Arduino To Excel Using V Usb Hackster Io

Thunderbolt 3 Vs Usb C What S The Difference Satechi

V Usb Software Usb Device For Avr Microcontrollers Firmwareschmiede Firmware Development Hiveeyes

Hardware Hump Day Installing An Attiny Bootloader With V Usb News Sparkfun Electronics

Pro Ject Phono Box Usb V Review What Hi Fi

V Usb With Attiny45 Attiny85 Without A Crystal Code And Life



